Mắt thu hồng ngoại vỏ nhôm VS1838B HX1838B
1.800₫
Còn hàng
Mô tả :
Mắt thu hồng ngoại VS1838B HX1838 3P (mắt nhận điều hòa, tivi, quạt)
Kích thước:
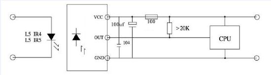
Sơ đồ nguyên lý:
Mắt thu hồng ngoại VS1838B HX1838 3P (mắt nhận điều hòa, tivi, quạt)
Kích thước:


Sơ đồ nguyên lý:

Sản phẩm liên quan
-47%